Корпус соленоидного клапана Sanhua FDF11A05 нормально закрытый, 1/2" пайка 2.40 м³/ч седло 11 мм мембранное управление (FDF-06007)
Соленоидные вентили серии FDF являются нормально закрытыми вентилями прямого или пилотного действия, которые используются для контроля подачи хладагента. В основном используются в различных системах, таких как системы охлаждения и заморозки, системы кондиционирования воздуха и тепловые насосы.
Особенности- Низкое потребление электроэнергии, надежность
- Отличная эффективность открытия клапана, высокий максимальный открывающий перепад давлений (MOPD)
- Применим для всех общих хладагентов ГХФУ и ГФУ
- Температура хладагента TS мин./макс.: -30°C/120°C
- Температура окружающей среды мин./макс.: -30°C / +50°C
- Относительная влажность: от 0 до 95% RH
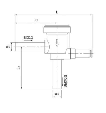
- Применение и положение при монтаже: - жидкостная, всасывающая и линия нагнетания.
- Сертификация: UL/CSA и декларация согласно LVD или PED
- катушка устанавливается сверху, центральная ось вентиля в пределах ±15° относительно вертикальной оси
- предпочтительно катушкой вверх, направление потока соответствует стрелке
- FQA-55001
- FQA-55002
- FQA-55003
Наш интернет-магазин предлагает несколько вариантов доставки:
- самовывоз из пункта выдачи
- курьерская доставка
- доставка в регионы РФ
Самовывоз БЕСПЛАТНО из пунктов выдачи заказов интернет-магазина
- Самовывоз возможен только после подтверждения заказа оператором.
- В пункте выдачи Вам необходимо будет сообщить номер заказа.
- Самовывоз товара возможен из пункта выдачи интернет-магазина (только по г. Москве) или регионального филиала.
- Самовывоз возможен с понедельника по пятницу с 08:00 до 18:00.
Пункты выдачи заказов интернет-магазина:
- г. Москва - Дубнинская 79 А (интернет-магазин)
- В других городах России - в любом филиале компании ООО "Морена"
Курьерская доставка
Компания Морена осуществляет доставку с 10 до 20 часов на следующий день, после подтверждения заказа.
- Стоимость доставки в пределах МКАД составляет 800 руб.
- Стоимость доставки за пределы МКАД рассчитывается индивидуально, исходя из удаленности места назначения.
- Расчет стоимости и возможность доставки внутри Третьего Транспортного Кольца обсуждается индивидуально у специалиста отдела продаж.
Услуги жесткой упаковки товараДействует ли в вашем городе курьерская служба, уточняйте у менеджера магазина.
| < 0,5 м/куб |
300,00 руб. |
|
от 0,5 до 1,0 м/куб |
350,00 руб. |
|
от 1,0 до 1,5 м/куб |
700,00 руб. |
|
от 1,5 до 2,0 м/куб |
1050,00 руб. |
Информацию уточняйте у специалистов отдела продаж по телефонам: +7 (495) 781-48-48, 8 800 505-05-48
Доставка в регионы РФ
Доставка в другие города Российской Федерации осуществляется транспортными компаниями и рассчитывается по тарифам транспортных компаний. Доставка до ТК возможна по предварительной договоренности. Необходимо оставить соответствующий комментарий к заказу.
Доставка вашего заказа до ТК - 150 руб.
- Деловые Линии — (скидка 15% всем нашим клиентам)
- ПЭК - Первая Экспедиционная Компания
- АвтоТрейдинг
- БайкалСервис
- СДЭК
- DPD - Армадило Бизнес Посылка
- ШЕРЛ Транспортная Компания
- ГЕОлайн
- Карго Логистика
- Центр Автомобильных перевозок
- БМТ
- Магистраль
- Мейджик Транс
- Байт Транзит Континент
- Рейл Континент М
- Роза ветров
- Курттранс
- Оренбургская трнспортная компания "Евразия"
- Транс Карго
- Транзит Авто
В случае наличия выбранных вами позиций на складе, мы доставим Ваш заказ в транспортную компанию на следующий день после оплаты
