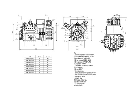
Серия SP поршневых компрессоров RefComp представлена 42 моделями с объёмной производительностью от 17,5 до 268 м3/ч и мощностью двигателя от 3 до 70 л.с. Компрессоры рассчитаны на работу с разными холодильными агентами, как например, R22, R407C, R134a, R404A и R507. Благодаря компактной конструкции, низкому уровню шума, высокой эффективности, наличию большого числа моделей и простоте в монтаже, эти превосходные поршневые компрессоры удовлетворяют потребности производителей охладителей воды и воздуха, а также тепловых насосов различной производительности.
Комплектация:- двигатель PW (400V/3/50РHz), с 6-ью встроенными термисторами PTC
- запорный клапан всасывания
- запорный клапан нагнетания
- встроенный предохранительный клапан
- заправка маслом POE32
- электронное реле контроля смазки Delta P2 (на компрессорах со встроенным маслонасосом SP4,SP6 поставленных начиная с 2022 года)
- нагреватель картера PTC
- модуль защиты INT69B2 (230В/1/50-60Гц)
- электрическая распределительная коробка класса защиты IP54
- пружинные амортизаторы (виброопоры)
- заправка сухим азотом до избыточного давления
- цвет голубой RAL 5024
- упаковка - деревянный ящик
Наш интернет-магазин предлагает несколько вариантов доставки:
- самовывоз из пункта выдачи
- курьерская доставка
- доставка в регионы РФ
Самовывоз БЕСПЛАТНО из пунктов выдачи заказов интернет-магазина
- Самовывоз возможен только после подтверждения заказа оператором.
- В пункте выдачи Вам необходимо будет сообщить номер заказа.
- Самовывоз товара возможен из пункта выдачи интернет-магазина (только по г. Москве) или регионального филиала.
- Самовывоз возможен с понедельника по пятницу с 08:00 до 18:00.
Пункты выдачи заказов интернет-магазина:
- г. Москва - Дубнинская 79 А (интернет-магазин)
- В других городах России - в любом филиале компании ООО "Морена"
Курьерская доставка
Компания Морена осуществляет доставку с 10 до 20 часов на следующий день, после подтверждения заказа.
- Стоимость доставки в пределах МКАД составляет 800 руб.
- Стоимость доставки за пределы МКАД рассчитывается индивидуально, исходя из удаленности места назначения.
- Расчет стоимости и возможность доставки внутри Третьего Транспортного Кольца обсуждается индивидуально у специалиста отдела продаж.
Услуги жесткой упаковки товараДействует ли в вашем городе курьерская служба, уточняйте у менеджера магазина.
| < 0,5 м/куб |
300,00 руб. |
|
от 0,5 до 1,0 м/куб |
350,00 руб. |
|
от 1,0 до 1,5 м/куб |
700,00 руб. |
|
от 1,5 до 2,0 м/куб |
1050,00 руб. |
Информацию уточняйте у специалистов отдела продаж по телефонам: +7 (495) 781-48-48, 8 800 505-05-48
Доставка в регионы РФ
Доставка в другие города Российской Федерации осуществляется транспортными компаниями и рассчитывается по тарифам транспортных компаний. Доставка до ТК возможна по предварительной договоренности. Необходимо оставить соответствующий комментарий к заказу.
Доставка вашего заказа до ТК - 150 руб.
- Деловые Линии — (скидка 15% всем нашим клиентам)
- ПЭК - Первая Экспедиционная Компания
- АвтоТрейдинг
- БайкалСервис
- СДЭК
- DPD - Армадило Бизнес Посылка
- ШЕРЛ Транспортная Компания
- ГЕОлайн
- Карго Логистика
- Центр Автомобильных перевозок
- БМТ
- Магистраль
- Мейджик Транс
- Байт Транзит Континент
- Рейл Континент М
- Роза ветров
- Курттранс
- Оренбургская трнспортная компания "Евразия"
- Транс Карго
- Транзит Авто
В случае наличия выбранных вами позиций на складе, мы доставим Ваш заказ в транспортную компанию на следующий день после оплаты
